电脑桌面
添加毕设投稿发表到电脑桌面
安装后可以在桌面快捷访问

24年WP本科汽车服务 基于SolidWorks的轻型货车驱动桥设计与仿真终稿-约11273字符.docx原创

24年WP本科汽车服务 基于SolidWorks的轻型货车驱动桥设计与仿真终稿-约11273字符.docx_第1页
1/26
24年WP本科汽车服务 基于SolidWorks的轻型货车驱动桥设计与仿真终稿-约11273字符.docx_第2页
2/26
24年WP本科汽车服务 基于SolidWorks的轻型货车驱动桥设计与仿真终稿-约11273字符.docx_第3页
3/26
24年WP本科汽车服务 基于SolidWorks的轻型货车驱动桥设计与仿真终稿-约11273字符.docx_第4页
4/26
24年WP本科汽车服务 基于SolidWorks的轻型货车驱动桥设计与仿真终稿-约11273字符.docx_第5页
5/26
24年WP本科汽车服务 基于SolidWorks的轻型货车驱动桥设计与仿真终稿-约11273字符.docx_第6页
6/26
24年WP本科汽车服务 基于SolidWorks的轻型货车驱动桥设计与仿真终稿-约11273字符.docx_第7页
7/26
24年WP本科汽车服务 基于SolidWorks的轻型货车驱动桥设计与仿真终稿-约11273字符.docx_第8页
8/26
24年WP本科汽车服务 基于SolidWorks的轻型货车驱动桥设计与仿真终稿-约11273字符.docx_第9页
9/26
24年WP本科汽车服务 基于SolidWorks的轻型货车驱动桥设计与仿真终稿-约11273字符.docx_第10页
10/26
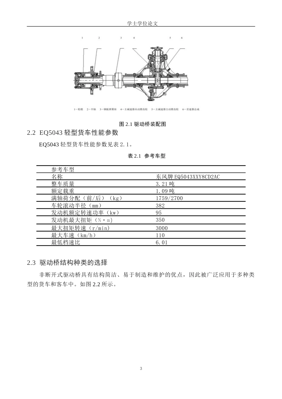
I摘 要汽车的动力传动系统必不可少的关键组成部分是汽车驱动桥,其设计深远影响着汽车的性能、燃油经济性、安全性和乘坐舒适度。驱动桥直接影响汽车的加速、牵引力和行驶稳定性,是通过控制车轮的动力输出实现的。合理的驱动桥设计可以提高汽车的牵引力和抓地力,使汽车在各种路况下都能保持良好的动力性能,从而提高车辆的行驶安全性。在开展 EQ5043 型载货汽车驱动桥的设计工作时,设计流程首先着手于主减速器的构建,这包括对其结构布局和关键几何参数的设计;紧接着,进入差速器的设计阶段,明确其设计类型,并对其齿轮的尺寸进行设计与计算;随后,对半轴部分尺...

1、当您付费下载文档后,您只拥有了使用权限,并不意味着购买了版权,文档只能用于自身使用,不得用于其他商业用途(如 [转卖]进行直接盈利或[编辑后售卖]进行间接盈利)。
2、本站所有内容均由合作方或网友上传,本站不对文档的完整性、权威性及其观点立场正确性做任何保证或承诺!文档内容仅供研究参考,付费前请自行鉴别。
3、如文档内容存在违规,或者侵犯商业秘密、侵犯著作权等,请点击“违规举报”。

碎片内容

24年WP本科汽车服务 基于SolidWorks的轻型货车驱动桥设计与仿真终稿-约11273字符.docx

发表评论取消回复

  
a.aiyt.cc+ 关注
机构认证
内容提供者

长篇生成器

确认删除?
qq
  • 联系点击这里给我发消息
搜索教程
联系客服
  • 联系客服
回到顶部