电脑桌面
添加毕设投稿发表到电脑桌面
安装后可以在桌面快捷访问

25年CH土木工程-北京市房山区民政服务中心项目基坑支护设计-docx-北京市房山区民政服务中心项目基坑支护设计-约11685字符终稿.docx

25年CH土木工程-北京市房山区民政服务中心项目基坑支护设计-docx-北京市房山区民政服务中心项目基坑支护设计-约11685字符终稿.docx_第1页
1/61
25年CH土木工程-北京市房山区民政服务中心项目基坑支护设计-docx-北京市房山区民政服务中心项目基坑支护设计-约11685字符终稿.docx_第2页
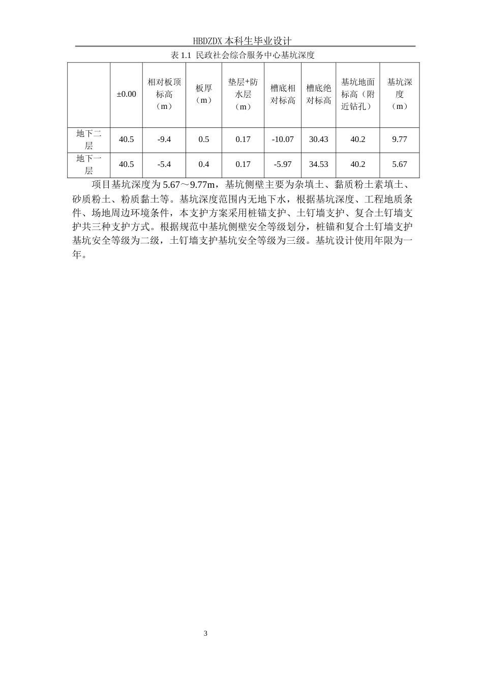
2/61
25年CH土木工程-北京市房山区民政服务中心项目基坑支护设计-docx-北京市房山区民政服务中心项目基坑支护设计-约11685字符终稿.docx_第3页
3/61
25年CH土木工程-北京市房山区民政服务中心项目基坑支护设计-docx-北京市房山区民政服务中心项目基坑支护设计-约11685字符终稿.docx_第4页
4/61
25年CH土木工程-北京市房山区民政服务中心项目基坑支护设计-docx-北京市房山区民政服务中心项目基坑支护设计-约11685字符终稿.docx_第5页
5/61
25年CH土木工程-北京市房山区民政服务中心项目基坑支护设计-docx-北京市房山区民政服务中心项目基坑支护设计-约11685字符终稿.docx_第6页
6/61
25年CH土木工程-北京市房山区民政服务中心项目基坑支护设计-docx-北京市房山区民政服务中心项目基坑支护设计-约11685字符终稿.docx_第7页
7/61
25年CH土木工程-北京市房山区民政服务中心项目基坑支护设计-docx-北京市房山区民政服务中心项目基坑支护设计-约11685字符终稿.docx_第8页
8/61
25年CH土木工程-北京市房山区民政服务中心项目基坑支护设计-docx-北京市房山区民政服务中心项目基坑支护设计-约11685字符终稿.docx_第9页
9/61
25年CH土木工程-北京市房山区民政服务中心项目基坑支护设计-docx-北京市房山区民政服务中心项目基坑支护设计-约11685字符终稿.docx_第10页
10/61
指导教师评语该基坑支护设计在全面分析工程基本信息的基础上,通过方案比选确定了各分区的初步支护方案,并设计其支护参数,依据相关规范进行支护方案的演算,设计中荷载计算正确,各种验收符合规范要求,毕业设计语句通顺,格式规范,内容层次清晰,图表规范,达到了学校对本科毕业设计的有关要求。建议成绩:92 指导教师签字 2025 年 05 月 24 日评议教师评语该深基坑支护设计设计依据充分,对基坑周围环境表述清晰,选取的支护手段可行。设计计算方法符合相应规范要求,计算过程较完整,各参数来源清楚,数据可靠,计算结果较可靠,图表应用规范恰当。不足:图...

1、当您付费下载文档后,您只拥有了使用权限,并不意味着购买了版权,文档只能用于自身使用,不得用于其他商业用途(如 [转卖]进行直接盈利或[编辑后售卖]进行间接盈利)。
2、本站所有内容均由合作方或网友上传,本站不对文档的完整性、权威性及其观点立场正确性做任何保证或承诺!文档内容仅供研究参考,付费前请自行鉴别。
3、如文档内容存在违规,或者侵犯商业秘密、侵犯著作权等,请点击“违规举报”。

碎片内容

25年CH土木工程-北京市房山区民政服务中心项目基坑支护设计-docx-北京市房山区民政服务中心项目基坑支护设计-约11685字符终稿.docx

您可能关注的文档

发表评论取消回复

  
CH+ 关注
实名认证
内容提供者

该用户很懒,什么也没介绍

确认删除?
qq
  • 联系点击这里给我发消息
搜索教程
联系客服
  • 联系客服
回到顶部