电脑桌面
添加毕设投稿发表到电脑桌面
安装后可以在桌面快捷访问

25年飞行器制造技术 某机型后起落架螺纹轴零件三维建模及机械加工工艺设计终.pdf

25年飞行器制造技术 某机型后起落架螺纹轴零件三维建模及机械加工工艺设计终.pdf_第1页
1/35
25年飞行器制造技术 某机型后起落架螺纹轴零件三维建模及机械加工工艺设计终.pdf_第2页
2/35
25年飞行器制造技术 某机型后起落架螺纹轴零件三维建模及机械加工工艺设计终.pdf_第3页
3/35
25年飞行器制造技术 某机型后起落架螺纹轴零件三维建模及机械加工工艺设计终.pdf_第4页
4/35
25年飞行器制造技术 某机型后起落架螺纹轴零件三维建模及机械加工工艺设计终.pdf_第5页
5/35
25年飞行器制造技术 某机型后起落架螺纹轴零件三维建模及机械加工工艺设计终.pdf_第6页
6/35
25年飞行器制造技术 某机型后起落架螺纹轴零件三维建模及机械加工工艺设计终.pdf_第7页
7/35
25年飞行器制造技术 某机型后起落架螺纹轴零件三维建模及机械加工工艺设计终.pdf_第8页
8/35
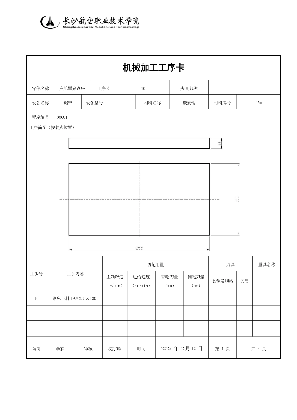
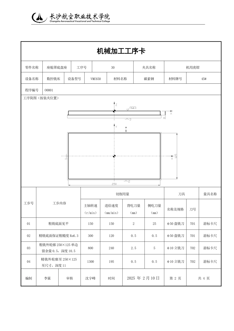
毕 业 设 计 成 果(方案设计)设计题目: 某机型座舱罩底盘座零件的三维建模及机械加工工艺设计二级学院航空机械制造学院专业飞行器数字化制造技术班级飞制 2204学号202203010406姓名李霖指导老师沈 宇 峰—19—诚信声明本人郑重声明:所呈交的毕业设计,是本人在老师的指导下,独立完成所取得的成果。尽我所知,设计中除特别加以标注的地方外,不包含其他人已经发表或撰写过的研究成果。本声明的法律结果由本人承担。学生签名:指导教师签名:2025 年 02 月 10 日2025 年 02 月 15 日—19—成果一零件工程图—19—成果二零件三维模型—19—成果四机...

1、当您付费下载文档后,您只拥有了使用权限,并不意味着购买了版权,文档只能用于自身使用,不得用于其他商业用途(如 [转卖]进行直接盈利或[编辑后售卖]进行间接盈利)。
2、本站所有内容均由合作方或网友上传,本站不对文档的完整性、权威性及其观点立场正确性做任何保证或承诺!文档内容仅供研究参考,付费前请自行鉴别。
3、如文档内容存在违规,或者侵犯商业秘密、侵犯著作权等,请点击“违规举报”。

碎片内容

25年飞行器制造技术 某机型后起落架螺纹轴零件三维建模及机械加工工艺设计终.pdf

您可能关注的文档

发表评论取消回复

  
a.aiyt.cc+ 关注
机构认证
内容提供者

长篇生成器

确认删除?
qq
  • 联系点击这里给我发消息
搜索教程
联系客服
  • 联系客服
回到顶部