电脑桌面
添加毕设投稿发表到电脑桌面
安装后可以在桌面快捷访问

25年WP土木工程本科-怀集县冷坑镇第二小学教师用房结构设计论文 定稿 过AI-约113908字符.doc

25年WP土木工程本科-怀集县冷坑镇第二小学教师用房结构设计论文 定稿 过AI-约113908字符.doc_第1页
1/160
25年WP土木工程本科-怀集县冷坑镇第二小学教师用房结构设计论文 定稿 过AI-约113908字符.doc_第2页
2/160
25年WP土木工程本科-怀集县冷坑镇第二小学教师用房结构设计论文 定稿 过AI-约113908字符.doc_第3页
3/160
25年WP土木工程本科-怀集县冷坑镇第二小学教师用房结构设计论文 定稿 过AI-约113908字符.doc_第4页
4/160
25年WP土木工程本科-怀集县冷坑镇第二小学教师用房结构设计论文 定稿 过AI-约113908字符.doc_第5页
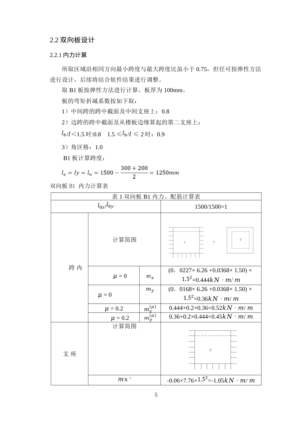
5/160
25年WP土木工程本科-怀集县冷坑镇第二小学教师用房结构设计论文 定稿 过AI-约113908字符.doc_第6页
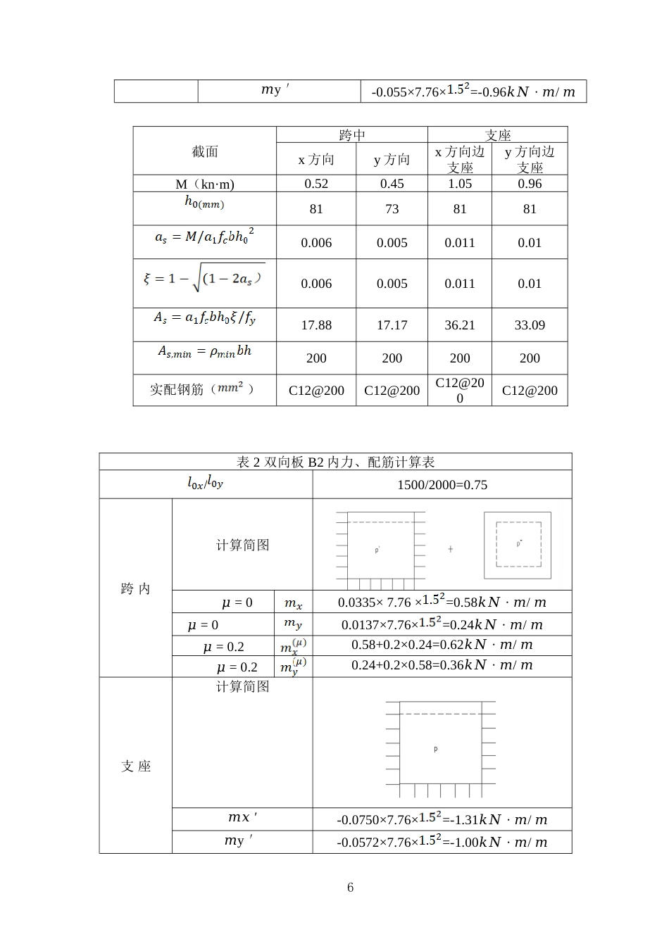
6/160
25年WP土木工程本科-怀集县冷坑镇第二小学教师用房结构设计论文 定稿 过AI-约113908字符.doc_第7页
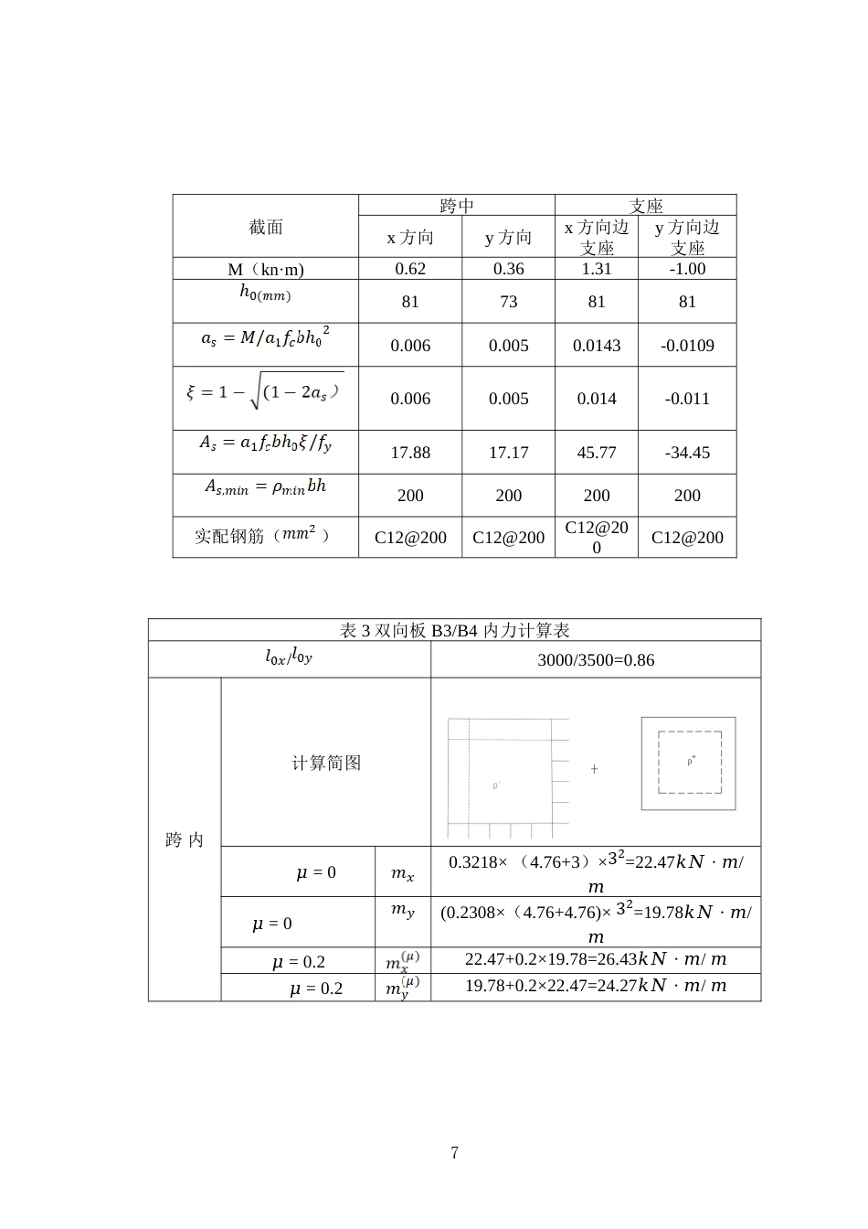
7/160
25年WP土木工程本科-怀集县冷坑镇第二小学教师用房结构设计论文 定稿 过AI-约113908字符.doc_第8页
8/160
25年WP土木工程本科-怀集县冷坑镇第二小学教师用房结构设计论文 定稿 过AI-约113908字符.doc_第9页
9/160
25年WP土木工程本科-怀集县冷坑镇第二小学教师用房结构设计论文 定稿 过AI-约113908字符.doc_第10页
10/160
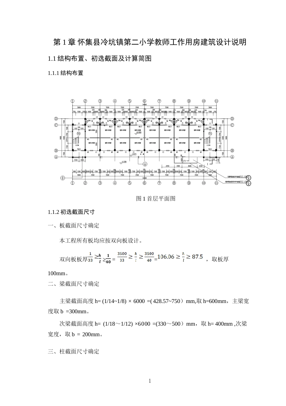
目 录第 1 章 怀集县冷坑镇第二小学教师工作用房建筑设计说明..................11.1 结构布置、初选截面及计算简图.....................................................................11.2 框架计算简图.....................................................................................................2第 2 章 楼盖设计..........................................................................................42.1 荷载计算............................................................................................................

1、当您付费下载文档后,您只拥有了使用权限,并不意味着购买了版权,文档只能用于自身使用,不得用于其他商业用途(如 [转卖]进行直接盈利或[编辑后售卖]进行间接盈利)。
2、本站所有内容均由合作方或网友上传,本站不对文档的完整性、权威性及其观点立场正确性做任何保证或承诺!文档内容仅供研究参考,付费前请自行鉴别。
3、如文档内容存在违规,或者侵犯商业秘密、侵犯著作权等,请点击“违规举报”。

碎片内容

25年WP土木工程本科-怀集县冷坑镇第二小学教师用房结构设计论文 定稿 过AI-约113908字符.doc

发表评论取消回复

  
a.aiyt.cc+ 关注
机构认证
内容提供者

长篇生成器

确认删除?
qq
  • 联系点击这里给我发消息
搜索教程
联系客服
  • 联系客服
回到顶部