电脑桌面
添加毕设投稿发表到电脑桌面
安装后可以在桌面快捷访问

25年CH地质工程-安吉县孝源街道小学综合楼桩基础设计-附录A-桩基础结构设计图.pdf

25年CH地质工程-安吉县孝源街道小学综合楼桩基础设计-附录A-桩基础结构设计图.pdf_第1页
1/1
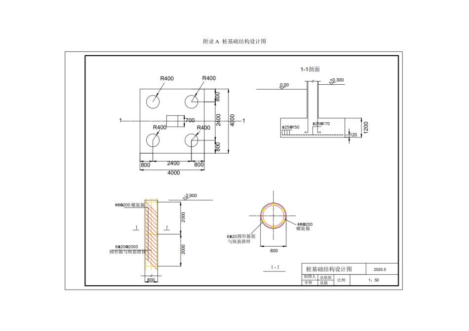
附录 A 桩基础结构设计图

1、当您付费下载文档后,您只拥有了使用权限,并不意味着购买了版权,文档只能用于自身使用,不得用于其他商业用途(如 [转卖]进行直接盈利或[编辑后售卖]进行间接盈利)。
2、本站所有内容均由合作方或网友上传,本站不对文档的完整性、权威性及其观点立场正确性做任何保证或承诺!文档内容仅供研究参考,付费前请自行鉴别。
3、如文档内容存在违规,或者侵犯商业秘密、侵犯著作权等,请点击“违规举报”。

碎片内容

25年CH地质工程-安吉县孝源街道小学综合楼桩基础设计-附录A-桩基础结构设计图.pdf

发表评论取消回复

  
CH+ 关注
实名认证
内容提供者

该用户很懒,什么也没介绍

确认删除?
qq
  • 联系点击这里给我发消息
搜索教程
联系客服
  • 联系客服
回到顶部