电脑桌面
添加毕设投稿发表到电脑桌面
安装后可以在桌面快捷访问

22年收48、基坑开挖深度5.6米,南北长48米,东西长45米钻孔灌注桩+深层搅拌桩止水+单锚支护设计及施工64页(PDF).pdfVIP专享VIP免费

22年收48、基坑开挖深度5.6米,南北长48米,东西长45米钻孔灌注桩+深层搅拌桩止水+单锚支护设计及施工64页(PDF).pdf_第1页
1/64
22年收48、基坑开挖深度5.6米,南北长48米,东西长45米钻孔灌注桩+深层搅拌桩止水+单锚支护设计及施工64页(PDF).pdf_第2页
2/64
22年收48、基坑开挖深度5.6米,南北长48米,东西长45米钻孔灌注桩+深层搅拌桩止水+单锚支护设计及施工64页(PDF).pdf_第3页
3/64
22年收48、基坑开挖深度5.6米,南北长48米,东西长45米钻孔灌注桩+深层搅拌桩止水+单锚支护设计及施工64页(PDF).pdf_第4页
4/64
22年收48、基坑开挖深度5.6米,南北长48米,东西长45米钻孔灌注桩+深层搅拌桩止水+单锚支护设计及施工64页(PDF).pdf_第5页
5/64
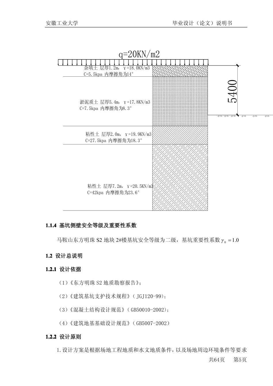
安徽工业大学毕业设计(论文)说明书共64页第1页目录目录.............................................................................................................................................................. 1第一章:设计方案综合说明......................................................................................................................31.1 概述............................................................................................................................................... 31.1.1 工程概况......

1、当您付费下载文档后,您只拥有了使用权限,并不意味着购买了版权,文档只能用于自身使用,不得用于其他商业用途(如 [转卖]进行直接盈利或[编辑后售卖]进行间接盈利)。
2、本站所有内容均由合作方或网友上传,本站不对文档的完整性、权威性及其观点立场正确性做任何保证或承诺!文档内容仅供研究参考,付费前请自行鉴别。
3、如文档内容存在违规,或者侵犯商业秘密、侵犯著作权等,请点击“违规举报”。

碎片内容

22年收48、基坑开挖深度5.6米,南北长48米,东西长45米钻孔灌注桩+深层搅拌桩止水+单锚支护设计及施工64页(PDF).pdf

您可能关注的文档

发表评论取消回复

  
确认删除?
qq
  • 联系点击这里给我发消息
搜索教程
联系客服
  • 联系客服
回到顶部