电脑桌面
添加毕设投稿发表到电脑桌面
安装后可以在桌面快捷访问

22年收污水管网深基坑开挖专项施工方案(70页专家论证).docxVIP专享VIP免费

22年收污水管网深基坑开挖专项施工方案(70页专家论证).docx_第1页
1/70
22年收污水管网深基坑开挖专项施工方案(70页专家论证).docx_第2页
2/70
22年收污水管网深基坑开挖专项施工方案(70页专家论证).docx_第3页
3/70
22年收污水管网深基坑开挖专项施工方案(70页专家论证).docx_第4页
4/70
22年收污水管网深基坑开挖专项施工方案(70页专家论证).docx_第5页
5/70
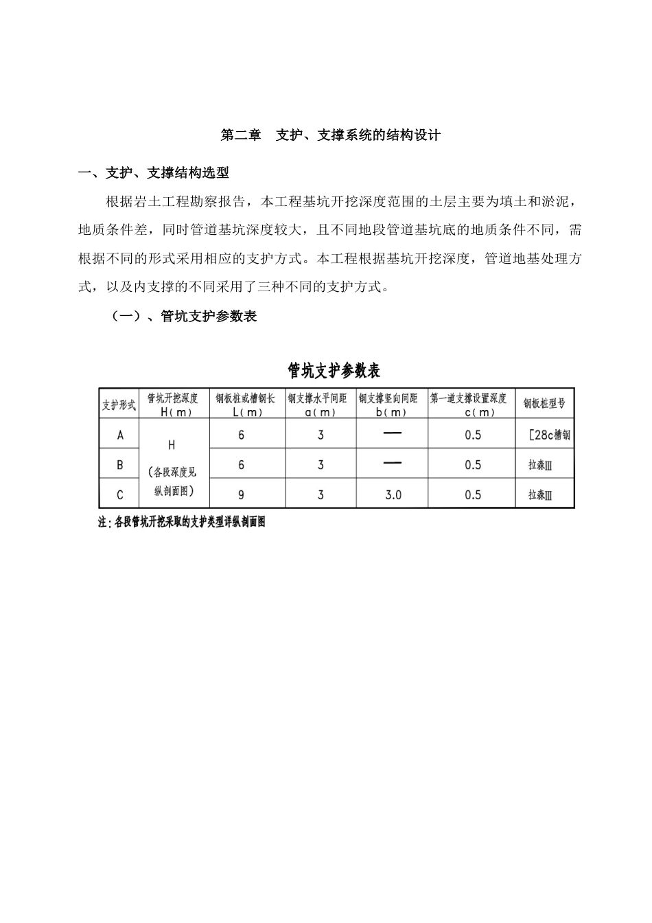
第一章 工程概况一、工程概述本工程拟建设污水管道约 2.893km,主管管径 D500~D1000 管道,限流管管径 D300~D400,管材主要为:DN500 采用 HDPE 管,倒虹管采用钢管,顶管采用Ⅲ级钢筋混凝土管,其余采用Ⅱ级钢筋混凝土管。本工程按污水管埋设的最大深度为最不利因素计算,本方案按设计图纸以 6m 深度进行设计基坑支护,基坑施工段支护总长度约 1720 米。招标工期:总工期 360 日历天(含结算、档案资料提交及通过发包人验收)。其中发出开工令开工之日起,现场施工工期 300 日历天。二、工程地质条件和水文地质1、地形地貌本片区污水管网位于广州市西...

1、当您付费下载文档后,您只拥有了使用权限,并不意味着购买了版权,文档只能用于自身使用,不得用于其他商业用途(如 [转卖]进行直接盈利或[编辑后售卖]进行间接盈利)。
2、本站所有内容均由合作方或网友上传,本站不对文档的完整性、权威性及其观点立场正确性做任何保证或承诺!文档内容仅供研究参考,付费前请自行鉴别。
3、如文档内容存在违规,或者侵犯商业秘密、侵犯著作权等,请点击“违规举报”。

碎片内容

22年收污水管网深基坑开挖专项施工方案(70页专家论证).docx

您可能关注的文档

发表评论取消回复

  
a.aiyt.cc+ 关注
机构认证
内容提供者

长篇生成器

确认删除?
qq
  • 联系点击这里给我发消息
搜索教程
联系客服
  • 联系客服
回到顶部