电脑桌面
添加毕设投稿发表到电脑桌面
安装后可以在桌面快捷访问

25年CH地质工程-赵县东晏头城中村棚户区改造项目深基坑开挖及支护设计-附录验算项目(1).docxVIP免费

25年CH地质工程-赵县东晏头城中村棚户区改造项目深基坑开挖及支护设计-附录验算项目(1).docx_第1页
1/5
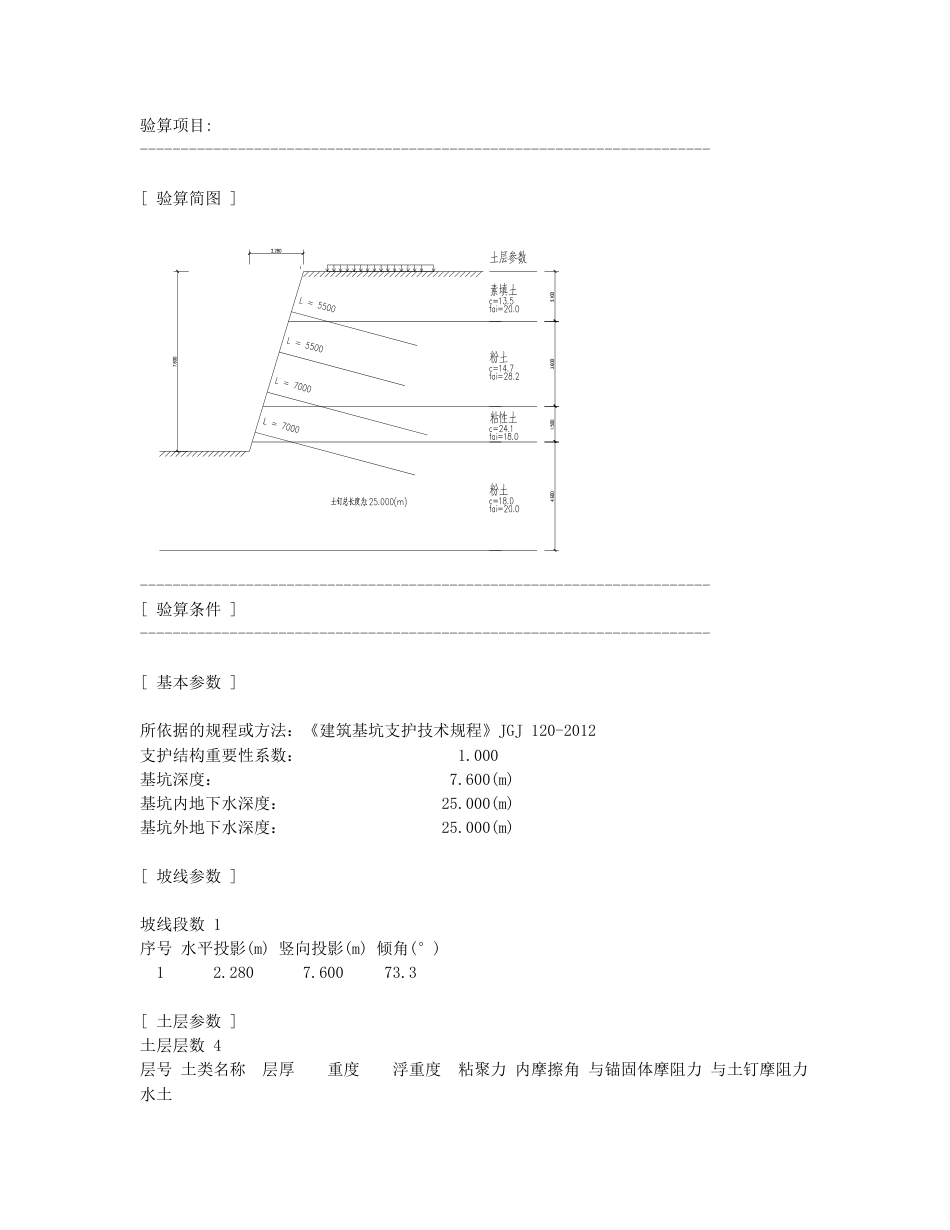
验算项目: ----------------------------------------------------------------------[ 验算简图 ]----------------------------------------------------------------------[ 验算条件 ]----------------------------------------------------------------------[ 基本参数 ]所依据的规程或方法:《建筑基坑支护技术规程》JGJ 120-2012支护结构重要性系数: 1.000基坑深度: 7.600(m)基坑内地下水深度: 25.000(m)基坑外地下水深度: 25.000(m)[ 坡线参数 ]坡线段数 1序号 水平投影(m) 竖向投影(m) 倾角(°) 1 2.280 7.600 73.3[ 土层参数 ]土...

1、当您付费下载文档后,您只拥有了使用权限,并不意味着购买了版权,文档只能用于自身使用,不得用于其他商业用途(如 [转卖]进行直接盈利或[编辑后售卖]进行间接盈利)。
2、本站所有内容均由合作方或网友上传,本站不对文档的完整性、权威性及其观点立场正确性做任何保证或承诺!文档内容仅供研究参考,付费前请自行鉴别。
3、如文档内容存在违规,或者侵犯商业秘密、侵犯著作权等,请点击“违规举报”。

碎片内容

25年CH地质工程-赵县东晏头城中村棚户区改造项目深基坑开挖及支护设计-附录验算项目(1).docx

您可能关注的文档

发表评论取消回复

  
CH+ 关注
实名认证
内容提供者

该用户很懒,什么也没介绍

确认删除?
qq
  • 联系点击这里给我发消息
搜索教程
联系客服
  • 联系客服
回到顶部