电脑桌面
添加毕设投稿发表到电脑桌面
安装后可以在桌面快捷访问

25年WH通信工程-小区变频恒压供水控制系统设计(最终稿) 关键词:变频调速;恒压供水;西门子S7-200SMART;PID调节附录终.docx

25年WH通信工程-小区变频恒压供水控制系统设计(最终稿)  关键词:变频调速;恒压供水;西门子S7-200SMART;PID调节附录终.docx_第1页
1/6
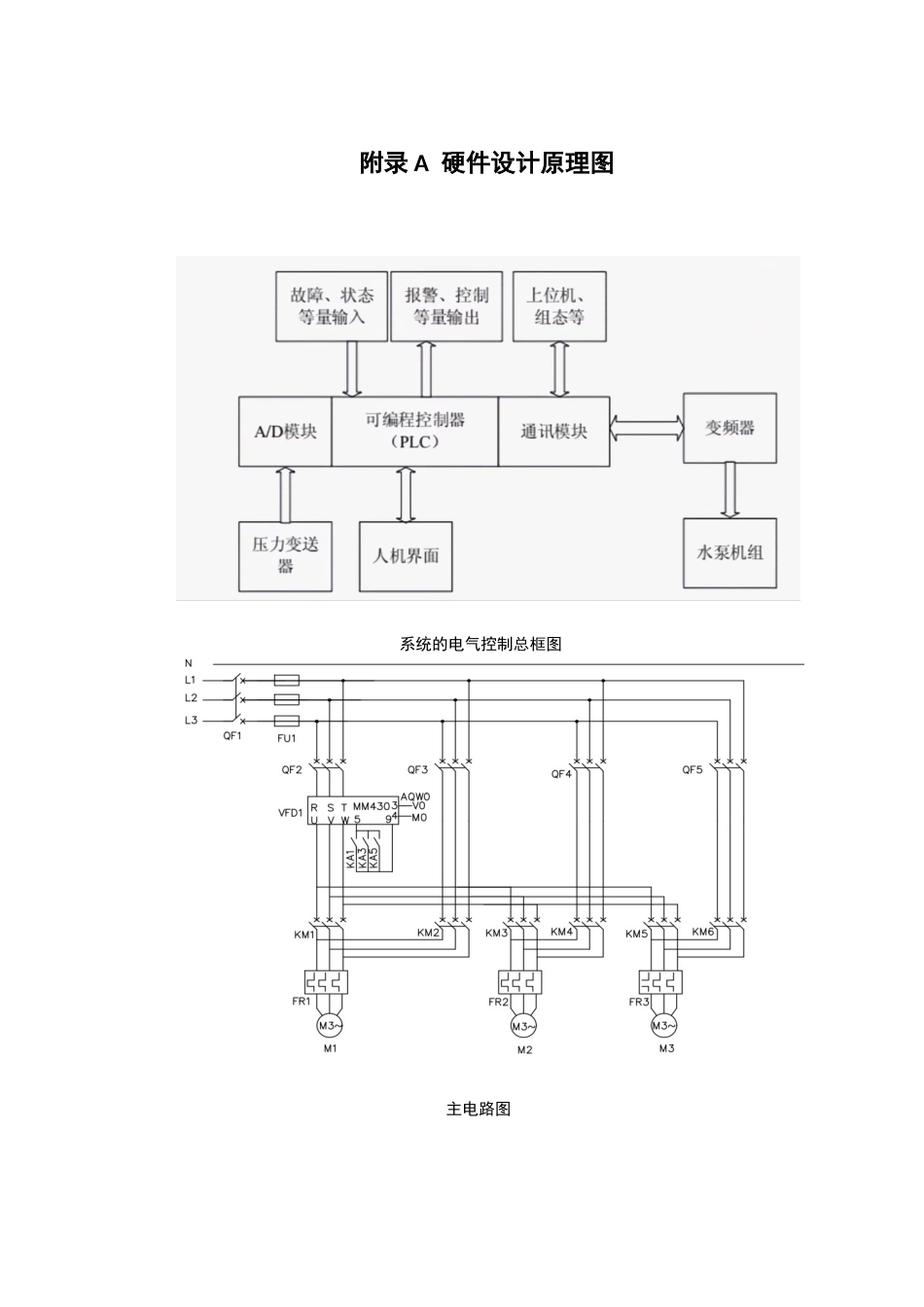
附录 A 硬件设计原理图系统的电气控制总框图主电路图PLC 外部接线图附录 B 程序设计原理框图(1)上电初始化,调式初始化程序梯形图(2)变频器上线时增汞滤波(3)1-3 号泵工频运行时的控制逻辑(4)故障信号以及故障结束处理

1、当您付费下载文档后,您只拥有了使用权限,并不意味着购买了版权,文档只能用于自身使用,不得用于其他商业用途(如 [转卖]进行直接盈利或[编辑后售卖]进行间接盈利)。
2、本站所有内容均由合作方或网友上传,本站不对文档的完整性、权威性及其观点立场正确性做任何保证或承诺!文档内容仅供研究参考,付费前请自行鉴别。
3、如文档内容存在违规,或者侵犯商业秘密、侵犯著作权等,请点击“违规举报”。

碎片内容

25年WH通信工程-小区变频恒压供水控制系统设计(最终稿) 关键词:变频调速;恒压供水;西门子S7-200SMART;PID调节附录终.docx

您可能关注的文档

发表评论取消回复

  
25年+ 关注
实名认证
内容提供者

该用户很懒,什么也没介绍

确认删除?
qq
  • 联系点击这里给我发消息
搜索教程
联系客服
  • 联系客服
回到顶部