电脑桌面
添加毕设投稿发表到电脑桌面
安装后可以在桌面快捷访问

25年WH电气工程及其自动化-基于STM32的智能厨房监控系统设计 附录8.源程序与原理图-约4120字符.docxVIP免费

25年WH电气工程及其自动化-基于STM32的智能厨房监控系统设计 附录8.源程序与原理图-约4120字符.docx_第1页
1/10
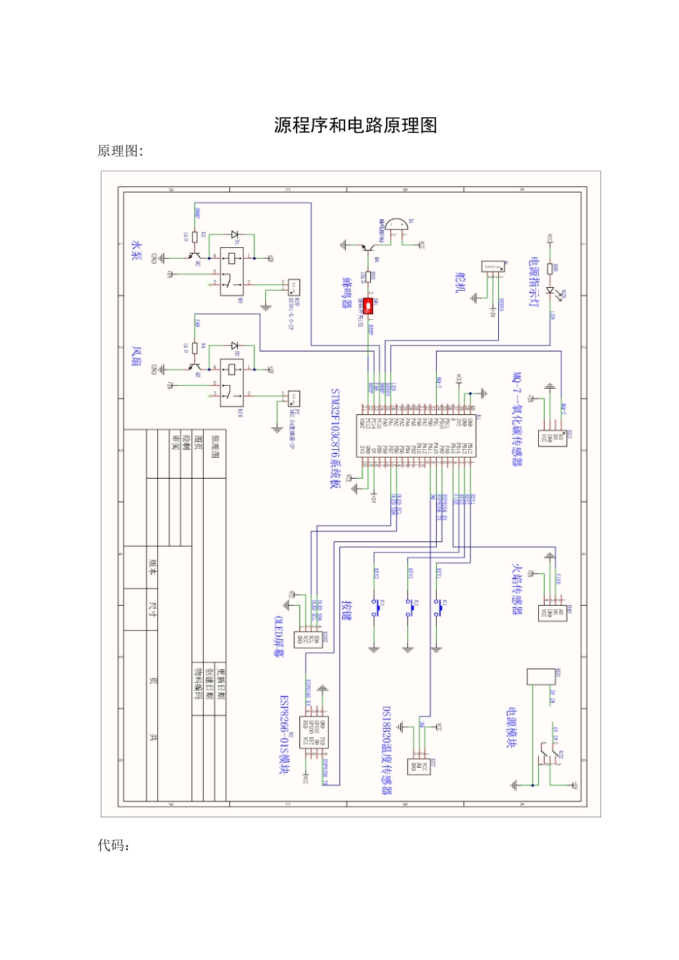
源程序和电路原理图原理图:代码:#include "sys.h"#include "delay.h"#include "adc.h"#include "gpio.h"#include "OLED_I2C.h"#include "ds18b20.h"#include "timer.h"#include "usart1.h"#include "esp8266.h"#include #include #include #include extern const unsigned char BMP[];char display[16]; //显示缓存区short temperature=0; //温度u8 setTempValue = 40; //温度上限u8 setSmokeValue = 60; //烟雾上限u8 alarmFlag = 0x00; //蜂鸣器报警标志u16 smoke=0; //烟雾u8 setn=0;...

1、当您付费下载文档后,您只拥有了使用权限,并不意味着购买了版权,文档只能用于自身使用,不得用于其他商业用途(如 [转卖]进行直接盈利或[编辑后售卖]进行间接盈利)。
2、本站所有内容均由合作方或网友上传,本站不对文档的完整性、权威性及其观点立场正确性做任何保证或承诺!文档内容仅供研究参考,付费前请自行鉴别。
3、如文档内容存在违规,或者侵犯商业秘密、侵犯著作权等,请点击“违规举报”。

碎片内容

25年WH电气工程及其自动化-基于STM32的智能厨房监控系统设计 附录8.源程序与原理图-约4120字符.docx

您可能关注的文档

发表评论取消回复

  
25年+ 关注
实名认证
内容提供者

该用户很懒,什么也没介绍

确认删除?
qq
  • 联系点击这里给我发消息
搜索教程
联系客服
  • 联系客服
回到顶部