电脑桌面
添加毕设投稿发表到电脑桌面
安装后可以在桌面快捷访问

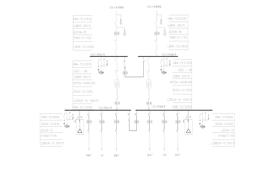
25年WP过AI电气自动化本科-66kV变电站电气部分一次设计 附录图纸.pdfVIP免费

25年WP过AI电气自动化本科-66kV变电站电气部分一次设计 附录图纸.pdf_第1页
1/3

1、当您付费下载文档后,您只拥有了使用权限,并不意味着购买了版权,文档只能用于自身使用,不得用于其他商业用途(如 [转卖]进行直接盈利或[编辑后售卖]进行间接盈利)。
2、本站所有内容均由合作方或网友上传,本站不对文档的完整性、权威性及其观点立场正确性做任何保证或承诺!文档内容仅供研究参考,付费前请自行鉴别。
3、如文档内容存在违规,或者侵犯商业秘密、侵犯著作权等,请点击“违规举报”。

碎片内容

25年WP过AI电气自动化本科-66kV变电站电气部分一次设计 附录图纸.pdf

您可能关注的文档

发表评论取消回复

  
a.aiyt.cc+ 关注
机构认证
内容提供者

长篇生成器

确认删除?
qq
  • 联系点击这里给我发消息
搜索教程
联系客服
  • 联系客服
回到顶部