电脑桌面
添加毕设投稿发表到电脑桌面
安装后可以在桌面快捷访问

25年WP过AI车辆工程-轿车转向节疲劳寿命分析及优化设计 附件图纸+A1.pdfVIP免费

25年WP过AI车辆工程-轿车转向节疲劳寿命分析及优化设计 附件图纸+A1.pdf_第1页
1/1
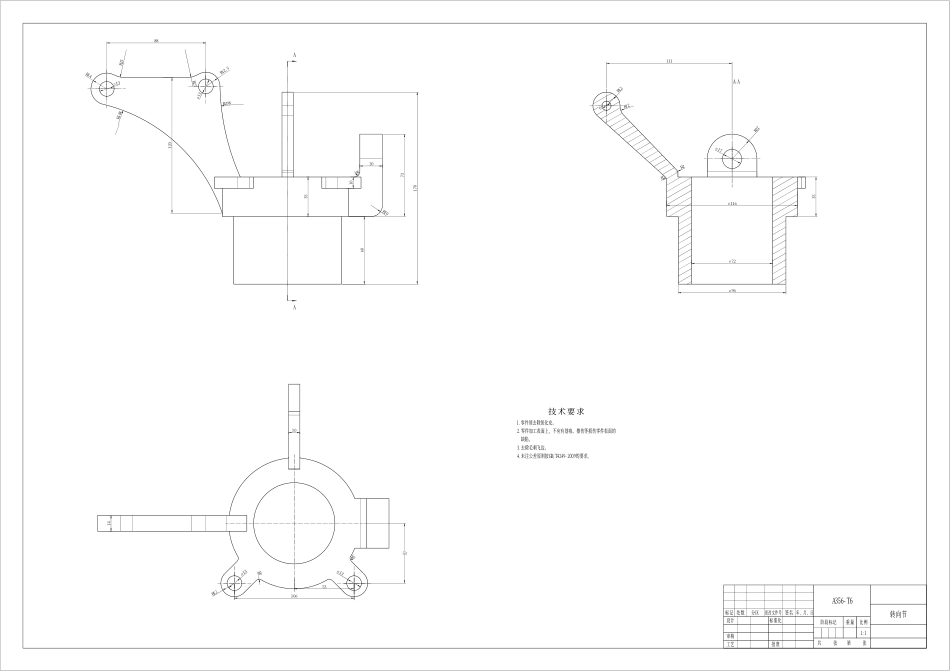
标记 处数分区更改文件号 签名年、月、日设计审核工艺标准化批准阶段标记重量比例共张第张转向节A356- T61: 1A- AAAR2217R128R12R2R5729611635R10170603573R12, 5R2513R208R1413R25R1481208810613R12131115353R5R514101020R51. 零件须去除氧化皮。2. 零件加工表面上,不应有划痕、擦伤等损伤零件表面的缺陷。3. 去除毛刺飞边。4. 未注公差原则按GB/ T4249- 2009的要求。技 术 要 求

1、当您付费下载文档后,您只拥有了使用权限,并不意味着购买了版权,文档只能用于自身使用,不得用于其他商业用途(如 [转卖]进行直接盈利或[编辑后售卖]进行间接盈利)。
2、本站所有内容均由合作方或网友上传,本站不对文档的完整性、权威性及其观点立场正确性做任何保证或承诺!文档内容仅供研究参考,付费前请自行鉴别。
3、如文档内容存在违规,或者侵犯商业秘密、侵犯著作权等,请点击“违规举报”。

碎片内容

25年WP过AI车辆工程-轿车转向节疲劳寿命分析及优化设计 附件图纸+A1.pdf

您可能关注的文档

发表评论取消回复

  
a.aiyt.cc+ 关注
机构认证
内容提供者

长篇生成器

确认删除?
qq
  • 联系点击这里给我发消息
搜索教程
联系客服
  • 联系客服
回到顶部