电脑桌面
添加毕设投稿发表到电脑桌面
安装后可以在桌面快捷访问

23年WP 深圳市龙岗区某公司员工宿舍楼-约52451字符.pdf

23年WP 深圳市龙岗区某公司员工宿舍楼-约52451字符.pdf_第1页
1/166
23年WP 深圳市龙岗区某公司员工宿舍楼-约52451字符.pdf_第2页
2/166
23年WP 深圳市龙岗区某公司员工宿舍楼-约52451字符.pdf_第3页
3/166
23年WP 深圳市龙岗区某公司员工宿舍楼-约52451字符.pdf_第4页
4/166
23年WP 深圳市龙岗区某公司员工宿舍楼-约52451字符.pdf_第5页
5/166
23年WP 深圳市龙岗区某公司员工宿舍楼-约52451字符.pdf_第6页
6/166
23年WP 深圳市龙岗区某公司员工宿舍楼-约52451字符.pdf_第7页
7/166
23年WP 深圳市龙岗区某公司员工宿舍楼-约52451字符.pdf_第8页
8/166
23年WP 深圳市龙岗区某公司员工宿舍楼-约52451字符.pdf_第9页
9/166
23年WP 深圳市龙岗区某公司员工宿舍楼-约52451字符.pdf_第10页
10/166
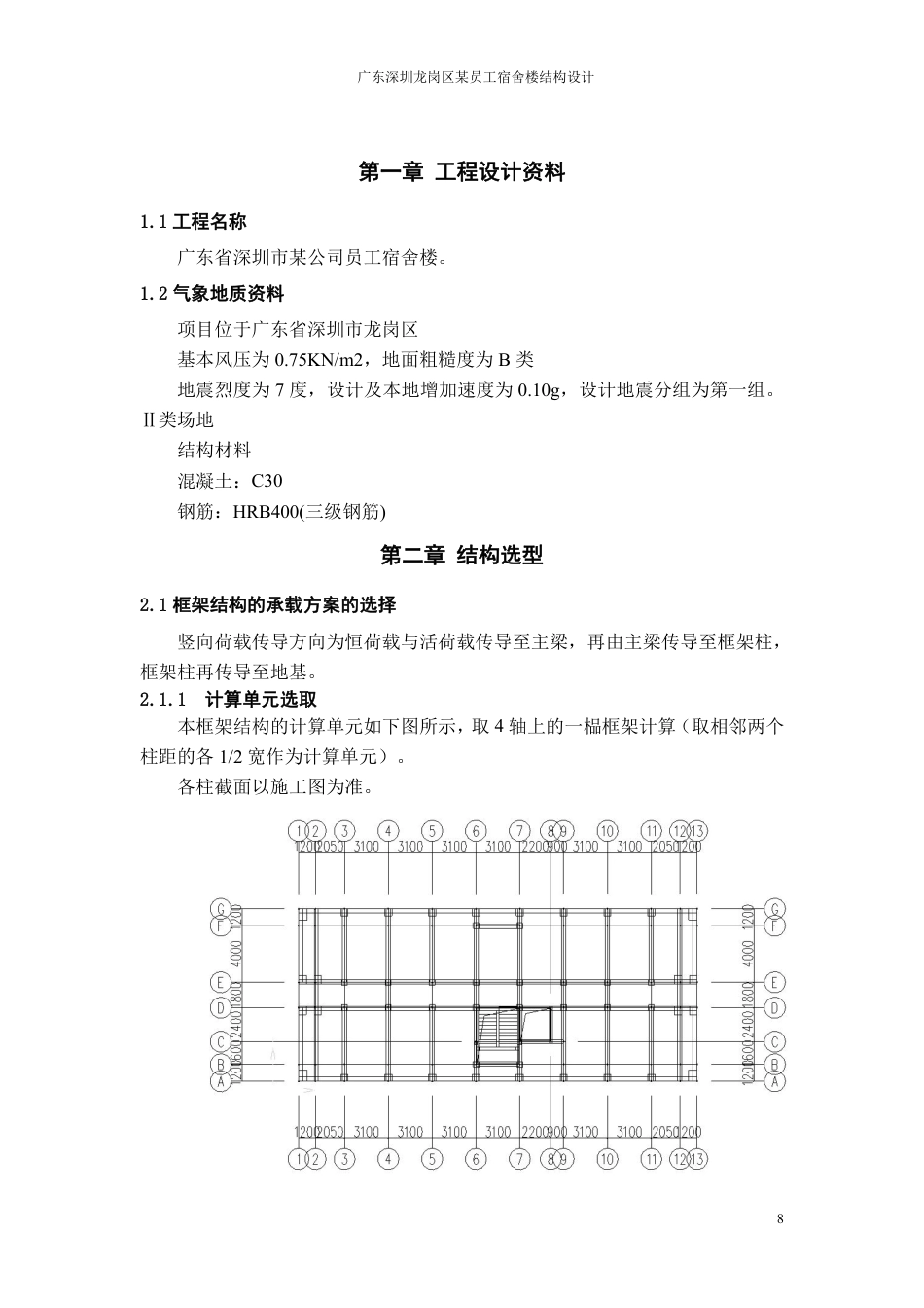
分类号密级U D C编 号毕业设计广东省深圳市龙岗区某员工宿舍楼结构设计学生姓名::涂炜学号::201915020229指导教师姓名及职称::冯骋专业名称::土木工程学院::建筑工程二〇二三年五月广东深圳龙岗区某员工宿舍楼结构设计2成果声明本人在此声明本人的毕业设计是在贵州民族大学人文科技学院冯骋老师的指导下独立撰写而成,毕业论文不含剽窃、抄袭、造假等违反学术道德、学术规范和侵权行为,除文中已经注明引用的内容外,本论文不包含任何其他个人及集体已经发表或撰写的作品或成果。其中引用的资料均已在文中明确标明。本声明的法律结果由本人承担。设计作者签...

1、当您付费下载文档后,您只拥有了使用权限,并不意味着购买了版权,文档只能用于自身使用,不得用于其他商业用途(如 [转卖]进行直接盈利或[编辑后售卖]进行间接盈利)。
2、本站所有内容均由合作方或网友上传,本站不对文档的完整性、权威性及其观点立场正确性做任何保证或承诺!文档内容仅供研究参考,付费前请自行鉴别。
3、如文档内容存在违规,或者侵犯商业秘密、侵犯著作权等,请点击“违规举报”。

碎片内容

23年WP 深圳市龙岗区某公司员工宿舍楼-约52451字符.pdf

您可能关注的文档

发表评论取消回复

  
a.aiyt.cc+ 关注
机构认证
内容提供者

长篇生成器

确认删除?
qq
  • 联系点击这里给我发消息
搜索教程
联系客服
  • 联系客服
回到顶部