电脑桌面
添加毕设投稿发表到电脑桌面
安装后可以在桌面快捷访问

25年CH工程造价-基于BIM斋坦村公寓式住宅楼工程造价的确定与控制-附件图纸终稿.docxVIP免费

25年CH工程造价-基于BIM斋坦村公寓式住宅楼工程造价的确定与控制-附件图纸终稿.docx_第1页
1/9
25年CH工程造价-基于BIM斋坦村公寓式住宅楼工程造价的确定与控制-附件图纸终稿.docx_第2页
2/9
25年CH工程造价-基于BIM斋坦村公寓式住宅楼工程造价的确定与控制-附件图纸终稿.docx_第3页
3/9
25年CH工程造价-基于BIM斋坦村公寓式住宅楼工程造价的确定与控制-附件图纸终稿.docx_第4页
4/9
25年CH工程造价-基于BIM斋坦村公寓式住宅楼工程造价的确定与控制-附件图纸终稿.docx_第5页
5/9
25年CH工程造价-基于BIM斋坦村公寓式住宅楼工程造价的确定与控制-附件图纸终稿.docx_第6页
6/9
25年CH工程造价-基于BIM斋坦村公寓式住宅楼工程造价的确定与控制-附件图纸终稿.docx_第7页
7/9
25年CH工程造价-基于BIM斋坦村公寓式住宅楼工程造价的确定与控制-附件图纸终稿.docx_第8页
8/9
25年CH工程造价-基于BIM斋坦村公寓式住宅楼工程造价的确定与控制-附件图纸终稿.docx_第9页
9/9
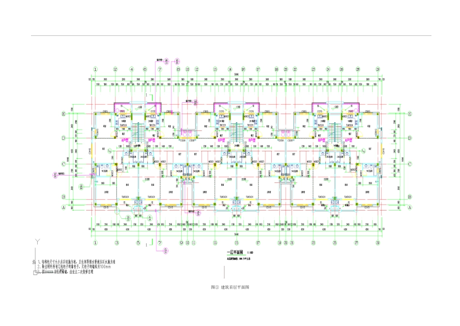
图① 建筑首层平面图图② 立面图图③ 剖面图图④ 结构基础平面图图⑤ 首层梁、板结构平面图

1、当您付费下载文档后,您只拥有了使用权限,并不意味着购买了版权,文档只能用于自身使用,不得用于其他商业用途(如 [转卖]进行直接盈利或[编辑后售卖]进行间接盈利)。
2、本站所有内容均由合作方或网友上传,本站不对文档的完整性、权威性及其观点立场正确性做任何保证或承诺!文档内容仅供研究参考,付费前请自行鉴别。
3、如文档内容存在违规,或者侵犯商业秘密、侵犯著作权等,请点击“违规举报”。

碎片内容

25年CH工程造价-基于BIM斋坦村公寓式住宅楼工程造价的确定与控制-附件图纸终稿.docx

发表评论取消回复

  
CH+ 关注
实名认证
内容提供者

该用户很懒,什么也没介绍

确认删除?
qq
  • 联系点击这里给我发消息
搜索教程
联系客服
  • 联系客服
回到顶部