电脑桌面
添加毕设投稿发表到电脑桌面
安装后可以在桌面快捷访问

25年CH环境工程-河南某大型生猪屠宰企业废水处理工艺最终稿-约13172字符.docx

25年CH环境工程-河南某大型生猪屠宰企业废水处理工艺最终稿-约13172字符.docx_第1页
1/64
25年CH环境工程-河南某大型生猪屠宰企业废水处理工艺最终稿-约13172字符.docx_第2页
2/64
25年CH环境工程-河南某大型生猪屠宰企业废水处理工艺最终稿-约13172字符.docx_第3页
3/64
25年CH环境工程-河南某大型生猪屠宰企业废水处理工艺最终稿-约13172字符.docx_第4页
4/64
25年CH环境工程-河南某大型生猪屠宰企业废水处理工艺最终稿-约13172字符.docx_第5页
5/64
25年CH环境工程-河南某大型生猪屠宰企业废水处理工艺最终稿-约13172字符.docx_第6页
6/64
25年CH环境工程-河南某大型生猪屠宰企业废水处理工艺最终稿-约13172字符.docx_第7页
7/64
25年CH环境工程-河南某大型生猪屠宰企业废水处理工艺最终稿-约13172字符.docx_第8页
8/64
25年CH环境工程-河南某大型生猪屠宰企业废水处理工艺最终稿-约13172字符.docx_第9页
9/64
25年CH环境工程-河南某大型生猪屠宰企业废水处理工艺最终稿-约13172字符.docx_第10页
10/64
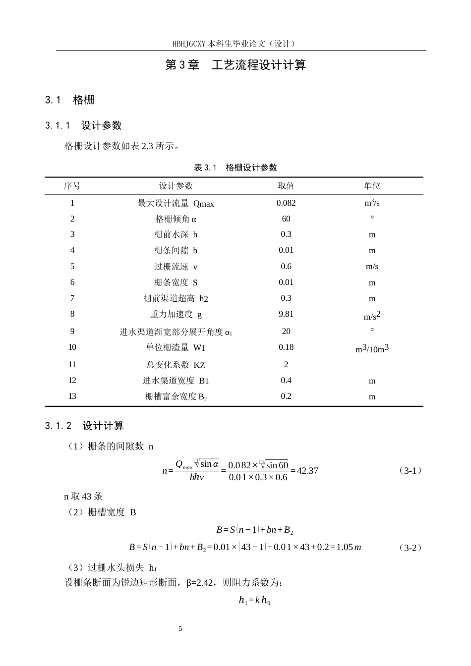
I摘 要河南省作为中国农业大省,生猪屠宰行业规模庞大,其生产废水含有高浓度有机物、油脂、氨氮等污染物,直接排放易导致水体富营养化及生态破坏,亟需高效处理技术实现达标排放与资源化利用。某企业屠宰场拟建处理水量为 3500m ³/d 的废水处理站,对屠宰过程中产生的废水进行处理。出水水质指标达到《屠宰及肉类加工工业水污染物排放标准》第三次征求意见稿(GB 13457-92)最高允许日均排放浓度要求后,进入园区污水处理厂进一步处理。该屠宰废水处理工艺采用“气浮-UASB-两级 AO-高密度沉淀”组合流程。首先通过格栅、微滤机去除大颗粒杂质,隔油沉淀池分离油...

1、当您付费下载文档后,您只拥有了使用权限,并不意味着购买了版权,文档只能用于自身使用,不得用于其他商业用途(如 [转卖]进行直接盈利或[编辑后售卖]进行间接盈利)。
2、本站所有内容均由合作方或网友上传,本站不对文档的完整性、权威性及其观点立场正确性做任何保证或承诺!文档内容仅供研究参考,付费前请自行鉴别。
3、如文档内容存在违规,或者侵犯商业秘密、侵犯著作权等,请点击“违规举报”。

碎片内容

25年CH环境工程-河南某大型生猪屠宰企业废水处理工艺最终稿-约13172字符.docx

发表评论取消回复

  
CH+ 关注
实名认证
内容提供者

该用户很懒,什么也没介绍

确认删除?
qq
  • 联系点击这里给我发消息
搜索教程
联系客服
  • 联系客服
回到顶部