电脑桌面
添加毕设投稿发表到电脑桌面
安装后可以在桌面快捷访问

25年CH水文与水资源工程 湖北省孝感市王母110kV输变电工程水土保持方案设计-约19928字符定稿.docx

25年CH水文与水资源工程 湖北省孝感市王母110kV输变电工程水土保持方案设计-约19928字符定稿.docx_第1页
1/82
25年CH水文与水资源工程 湖北省孝感市王母110kV输变电工程水土保持方案设计-约19928字符定稿.docx_第2页
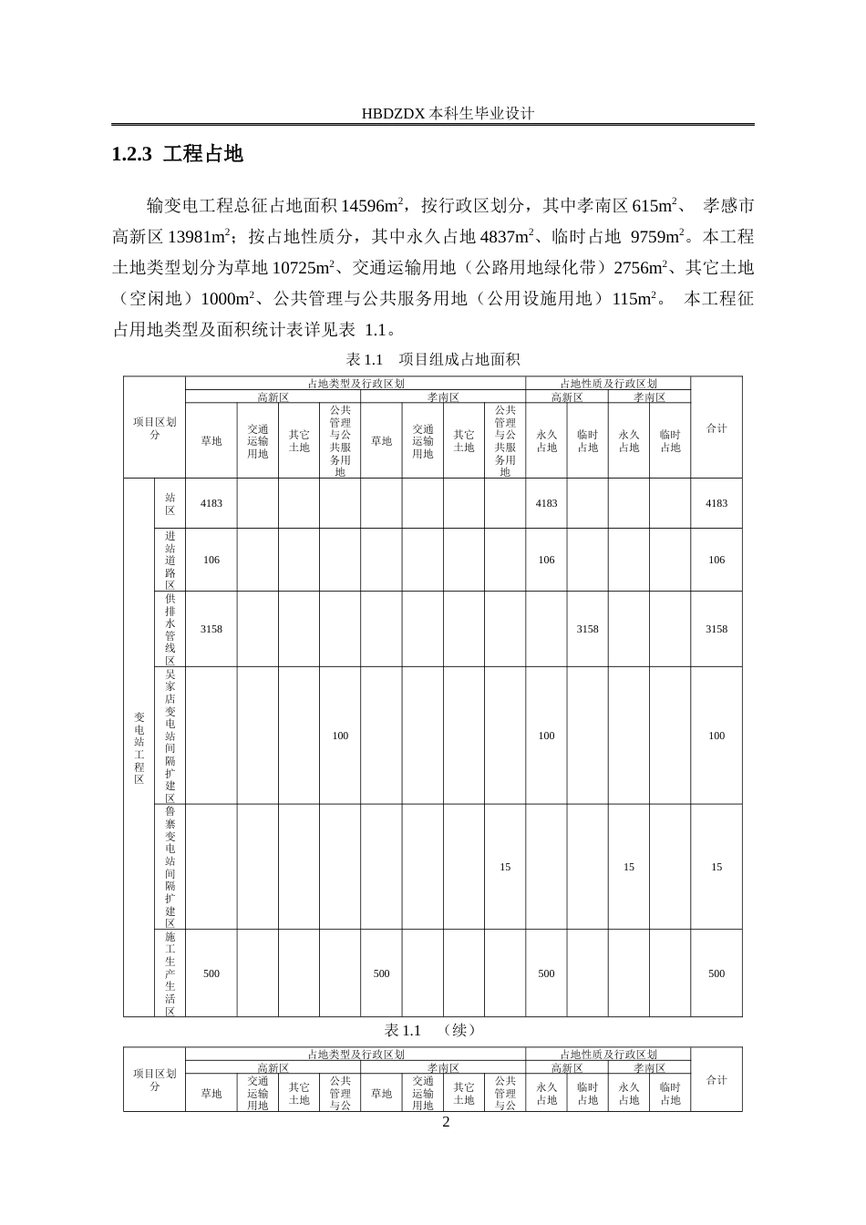
2/82
25年CH水文与水资源工程 湖北省孝感市王母110kV输变电工程水土保持方案设计-约19928字符定稿.docx_第3页
3/82
25年CH水文与水资源工程 湖北省孝感市王母110kV输变电工程水土保持方案设计-约19928字符定稿.docx_第4页
4/82
25年CH水文与水资源工程 湖北省孝感市王母110kV输变电工程水土保持方案设计-约19928字符定稿.docx_第5页
5/82
25年CH水文与水资源工程 湖北省孝感市王母110kV输变电工程水土保持方案设计-约19928字符定稿.docx_第6页
6/82
25年CH水文与水资源工程 湖北省孝感市王母110kV输变电工程水土保持方案设计-约19928字符定稿.docx_第7页
7/82
25年CH水文与水资源工程 湖北省孝感市王母110kV输变电工程水土保持方案设计-约19928字符定稿.docx_第8页
8/82
25年CH水文与水资源工程 湖北省孝感市王母110kV输变电工程水土保持方案设计-约19928字符定稿.docx_第9页
9/82
25年CH水文与水资源工程 湖北省孝感市王母110kV输变电工程水土保持方案设计-约19928字符定稿.docx_第10页
10/82
答辩小组评语指导教师评语贾云龙同学以“湖北省孝感市王母 110kV 输变电工程水土保持方案设计”为题开展毕业设计,选题符合专业培养要求,在收集有关地理、地形、气象、水文、土壤、植被等背景资料的基础上,依据相关标准规范设计工作区水土保持工作方案,水土流失防治责任范围与防治目标设置明确,根据相关土壤侵蚀公式估算土壤流失量计算结果可靠,水土保持方案措施布置适当,工作量及投资估算安排合理,预期成果明确。内容全面,提纲设置合理,细节排版格式仍存在改进之处,图件内容完整但仍有进一步优化的余地。整体情况满足本科毕业设计要求,同意参加答辩。建议...

1、当您付费下载文档后,您只拥有了使用权限,并不意味着购买了版权,文档只能用于自身使用,不得用于其他商业用途(如 [转卖]进行直接盈利或[编辑后售卖]进行间接盈利)。
2、本站所有内容均由合作方或网友上传,本站不对文档的完整性、权威性及其观点立场正确性做任何保证或承诺!文档内容仅供研究参考,付费前请自行鉴别。
3、如文档内容存在违规,或者侵犯商业秘密、侵犯著作权等,请点击“违规举报”。

碎片内容

25年CH水文与水资源工程 湖北省孝感市王母110kV输变电工程水土保持方案设计-约19928字符定稿.docx

发表评论取消回复

  
CH+ 关注
实名认证
内容提供者

该用户很懒,什么也没介绍

确认删除?
qq
  • 联系点击这里给我发消息
搜索教程
联系客服
  • 联系客服
回到顶部