电脑桌面
添加毕设投稿发表到电脑桌面
安装后可以在桌面快捷访问

25年CH道路桥梁与渡河工程-无锡市锡秀路高架桥设计设计图纸附件终版.pdf

25年CH道路桥梁与渡河工程-无锡市锡秀路高架桥设计设计图纸附件终版.pdf_第1页
1/22
25年CH道路桥梁与渡河工程-无锡市锡秀路高架桥设计设计图纸附件终版.pdf_第2页
2/22
25年CH道路桥梁与渡河工程-无锡市锡秀路高架桥设计设计图纸附件终版.pdf_第3页
3/22
25年CH道路桥梁与渡河工程-无锡市锡秀路高架桥设计设计图纸附件终版.pdf_第4页
4/22
25年CH道路桥梁与渡河工程-无锡市锡秀路高架桥设计设计图纸附件终版.pdf_第5页
5/22
25年CH道路桥梁与渡河工程-无锡市锡秀路高架桥设计设计图纸附件终版.pdf_第6页
6/22
25年CH道路桥梁与渡河工程-无锡市锡秀路高架桥设计设计图纸附件终版.pdf_第7页
7/22
25年CH道路桥梁与渡河工程-无锡市锡秀路高架桥设计设计图纸附件终版.pdf_第8页
8/22
25年CH道路桥梁与渡河工程-无锡市锡秀路高架桥设计设计图纸附件终版.pdf_第9页
9/22
25年CH道路桥梁与渡河工程-无锡市锡秀路高架桥设计设计图纸附件终版.pdf_第10页
10/22
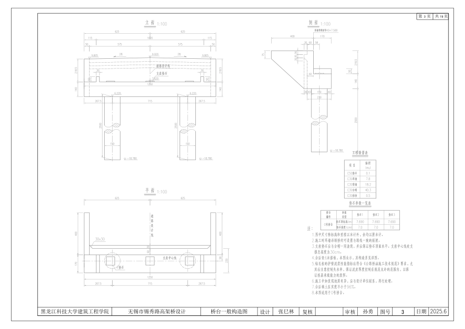
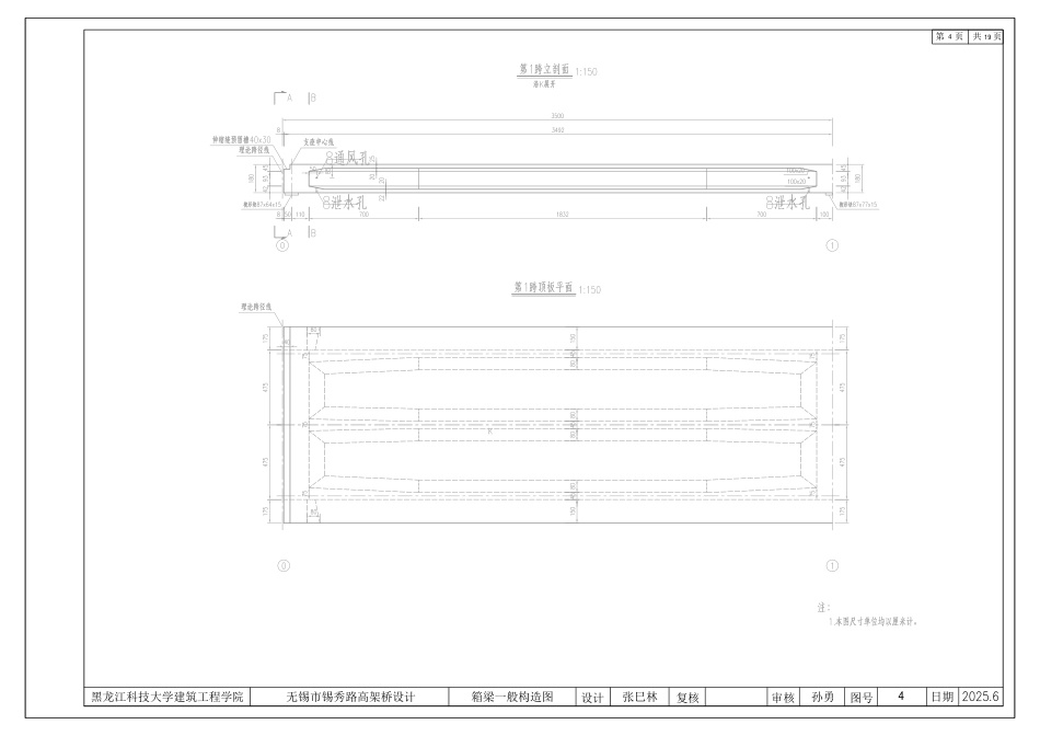
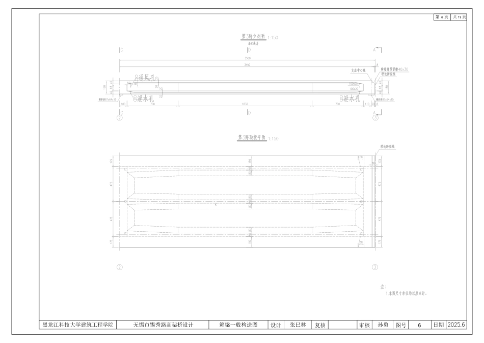
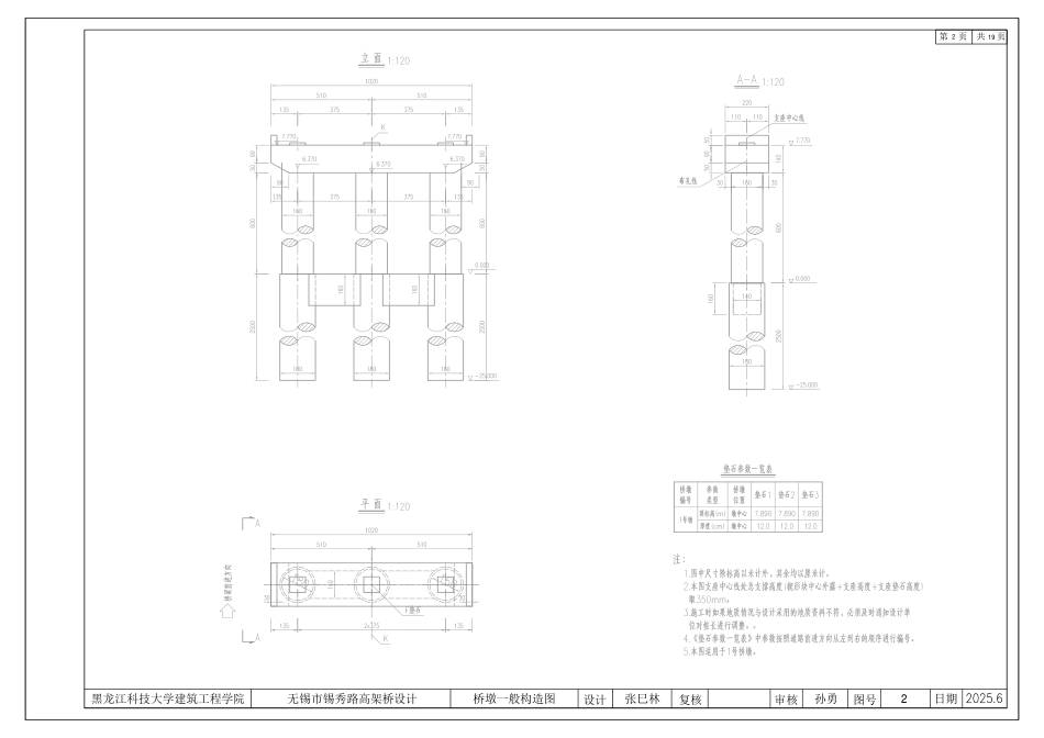
无锡市锡秀路高架桥设计张巳林设 计 人专业班级学号指导教师道桥 21-1 班2021024714 孙勇、权冬波讲师 、高级工程师职日称期6月10日目录序号图名图号页码备注序号图名图号页码备注1桥型布置图112桥墩一般构造图 桥墩一般构造图223桥台一般构造图 桥台一般构造图334箱梁一般构造图 箱梁一般构造_立面顶平面4-64-65箱梁一般构造图 箱梁一般构造_底平面7-87-86箱梁一般构造图 箱梁一般构造_断面997箱梁纵向普通钢筋构造图 立面平剖面10-1210-128箱梁纵向普通钢筋构造图 断面13139箱梁纵向普通钢筋构造图 钢筋大样、表格141410箱梁纵向预应力钢束布置图 箱梁...

1、当您付费下载文档后,您只拥有了使用权限,并不意味着购买了版权,文档只能用于自身使用,不得用于其他商业用途(如 [转卖]进行直接盈利或[编辑后售卖]进行间接盈利)。
2、本站所有内容均由合作方或网友上传,本站不对文档的完整性、权威性及其观点立场正确性做任何保证或承诺!文档内容仅供研究参考,付费前请自行鉴别。
3、如文档内容存在违规,或者侵犯商业秘密、侵犯著作权等,请点击“违规举报”。

碎片内容

25年CH道路桥梁与渡河工程-无锡市锡秀路高架桥设计设计图纸附件终版.pdf

发表评论取消回复

  
CH+ 关注
实名认证
内容提供者

该用户很懒,什么也没介绍

确认删除?
qq
  • 联系点击这里给我发消息
搜索教程
联系客服
  • 联系客服
回到顶部