电脑桌面
添加毕设投稿发表到电脑桌面
安装后可以在桌面快捷访问

25年WH土木工程-荣盛桥设计终稿-约70065字符-约70065字符.pdf

25年WH土木工程-荣盛桥设计终稿-约70065字符-约70065字符.pdf_第1页
1/134
25年WH土木工程-荣盛桥设计终稿-约70065字符-约70065字符.pdf_第2页
2/134
25年WH土木工程-荣盛桥设计终稿-约70065字符-约70065字符.pdf_第3页
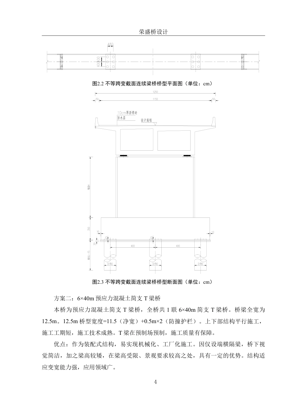
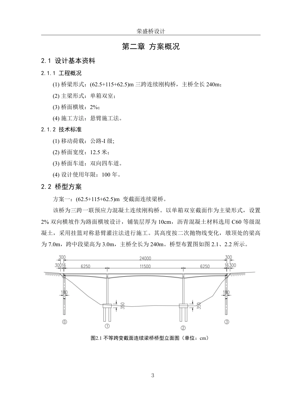
3/134
25年WH土木工程-荣盛桥设计终稿-约70065字符-约70065字符.pdf_第4页
4/134
25年WH土木工程-荣盛桥设计终稿-约70065字符-约70065字符.pdf_第5页
5/134
25年WH土木工程-荣盛桥设计终稿-约70065字符-约70065字符.pdf_第6页
6/134
25年WH土木工程-荣盛桥设计终稿-约70065字符-约70065字符.pdf_第7页
7/134
25年WH土木工程-荣盛桥设计终稿-约70065字符-约70065字符.pdf_第8页
8/134
25年WH土木工程-荣盛桥设计终稿-约70065字符-约70065字符.pdf_第9页
9/134
25年WH土木工程-荣盛桥设计终稿-约70065字符-约70065字符.pdf_第10页
10/134
I摘要本设计针对荣盛桥开展了预应力混凝土连续刚构桥的方案设计与力学性能分析。桥梁采用 (62.5+115+62.5) m 三跨一联单箱双室变截面结构,桥面宽 12.5 米,双向四车道,设计荷载为公路 -Ⅰ 级,采用悬臂施工法施工。通过对比预应力混凝土变截面悬浇梁、简支 T 梁桥和等高现浇箱梁桥三种方案,综合适用性、经济性和施工难度,最终选定预应力混凝土变截面悬浇梁桥方案。随后对该桥总体布置、结构尺寸、材料选用进行设计,运用 MIDAS 软件进行内力计算与荷载组合,为桥梁设计提供了全面且可靠的依据,确保桥梁满足安全、经济、适用等要求。关键词:荣盛桥;预应力...

1、当您付费下载文档后,您只拥有了使用权限,并不意味着购买了版权,文档只能用于自身使用,不得用于其他商业用途(如 [转卖]进行直接盈利或[编辑后售卖]进行间接盈利)。
2、本站所有内容均由合作方或网友上传,本站不对文档的完整性、权威性及其观点立场正确性做任何保证或承诺!文档内容仅供研究参考,付费前请自行鉴别。
3、如文档内容存在违规,或者侵犯商业秘密、侵犯著作权等,请点击“违规举报”。

碎片内容

25年WH土木工程-荣盛桥设计终稿-约70065字符-约70065字符.pdf

您可能关注的文档

发表评论取消回复

  
25年+ 关注
实名认证
内容提供者

该用户很懒,什么也没介绍

确认删除?
qq
  • 联系点击这里给我发消息
搜索教程
联系客服
  • 联系客服
回到顶部